Der Hochvorschubfräser mit einem einzigartigen Konzept zur Erzielung eines hohen Zerspanungsgrades. Der MFH Boost kann nicht nur als Hochvorschubfräser, sondern auch als Schruppfräser mit hoher Produktivität eingesetzt werden.
Vorteile
Großes Spanvolumen
Lange Standzeit und stabiler Prozess durch Antivibrationsdesign.
Wiperschneide an der Seitenschneide verbessert die Oberflächengüte Seitenwand bei Mehrfachschulterbearbeitungen.
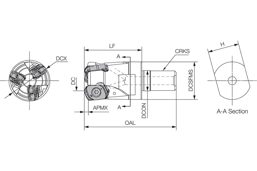
Eigenschaften
Verfgübare Durchmesser: 22-80 mm
Doppelseitige Wendeplatte: 4 Schneiden
Maximale ap = 2,5 mm
GM-Geometrie: Universell einsetzbar
Verfügbare Werkzeughalter: Aufsteckfräser, zylindrische Ausführung und Einschraubfräser