Vendita
Outlet
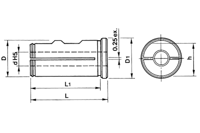
49035 D25 6mm

Raccomandazioni di prodotto

Vischer & Bolli

Produkte

Menu principale

Altri

Lingua: Italiano